Assignment 7 Solutions

A.34

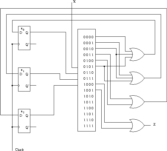
Let si represent the Q output of state flip-flop si, and let Di represent the D input to state flip-flop si.

For the decoder, X is the least significant bit and s2 is the most significant bit.

 
Present State Next State / Output
  X = 0 X = 1
s2 s1 s0 D2 D1 D0 / Z D2 D1 D0 / Z
0  0  0  0  0  1  /  0  0  1  0  /  0
0  0  1  0  1  1  /  0  1  0  0  /  0
0  1  0  1  0  0  /  0  0  1  1  /  0
0  1  1  0  0  0  /  0  0  0  0  /  0
1  0  0  0  0  0  /  1  0  0  0  /  1


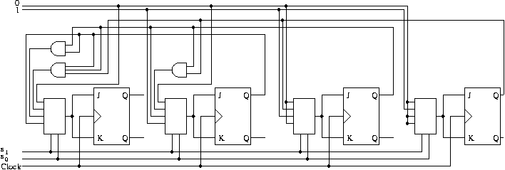
Four-bit register that increments by 0, 1, 2, or 4.