CS-343 Assignment 2

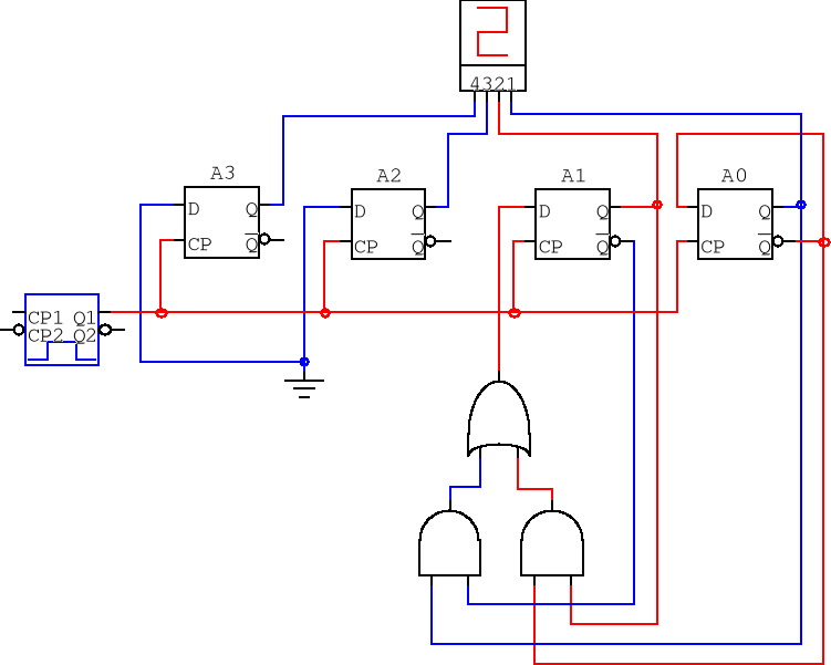
Here is a logic circuit designed using CircuitMaker that is supposed to be a 4-bit counter that cycles through the values 0x0 through 0xF on successive clock pulses. There are four flip-flops labeled A3 .. A0, a clock generator (on the left), and a hexadecimal display that shows the state of all four flip-flops. But it only counts from 0 to 3 before going back to 0 again. Add more AND and OR gates to make it count all the way up to 0xF before going back to zero.

Note: You will have to reconstruct the entire circuit since I'm providing only a drawing of the circuit, not the actual CircuitMaker file.

After you have completed your circuit and tested it using CircuitMaker (be sure to step through it one step at a time), save the .ckt file and email it to me as an attachment to your message. The subject line of your email must be CS-343 Assignment 2, which must be capitalized and spaced exactly like that in order to be accepted. Include your name and 4-digit student ID number in the body of your message.

Circuit Diagram