CS-343 Assignment 2

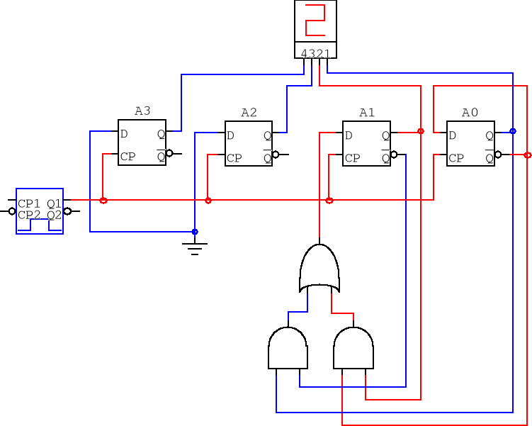
Here is a logic circuit designed using CircuitMaker that is supposed to be a 4-bit counter that cycles through the values 0x0 through 0xF on successive clock pulses. There are four flip-flops labeled A3 .. A0, a clock generator (on the left), and a hexadecimal display that shows the state of all four flip-flops. But it only counts from 0 to 3 before going back to 0 again. Add more AND and OR gates to make it count all the way up to 0xF before going back to zero.

Note: You will have to reconstruct the entire circuit since I'm providing only a drawing of the circuit, not the actual CircuitMaker file.

Complete the circuit and test it using CircuitMaker to be sure it works correctly. Add five "testpoints" to the circuit, one for the clock and one for each flip-flop output. Name each testpoint appropriately and turn on the CircuitMaker trace window. Single step the circuit to generate a trace that shows the circuit going through at least 16 clock cycles, then print both the circuit diagram and the trace window to hand in on the due date.

Circuit Diagram